Nuts

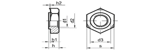
Hexagonal Nuts

Hex nuts are one of the most common nuts available and are used with anchors, bolts, screws, studs, threaded rods and on any other fastener that has machine screw threads.

Size Range: M3 - M64
STD: DIN 934 (ISO 4032), ASME
Available Grades: CL 8, CL 10, SS 304, SS 316

CHAMFERED HEXAGONAL THIN NUT (JAM NUTS)

Hex jam nuts have two common applications. A jam nut can be threaded onto a bolt and run tight against the standard nut which will lock the nut in place and prevent it from backing off. Jam nuts are sometimes used for leveling purposes as well.

Size Range: M3 - M48
STD: DIN 439B, ISO 4035
Available Grades: CL 04, CL 8, SS 304, SS 316

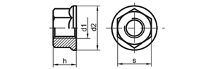
PREVAILING TORQUE TYPE HEX LOCK NUTS (NYLON INSERT)

The Nyloc nut is an economic locking nut and ideal in applications where vibration or motion could loosen or undo the nut. The nut can also be used to assist sealing the bolt thread against seepage of oil, water, petrol, paraffin and other liquids

Size Range: M4 - M30
STD: DIN 985 & DIN 982
Available Grades: CL 8, CL 10, SS 304, SS 316

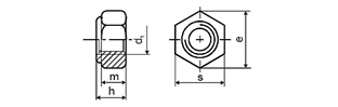
HEXAGONAL FLANGE NUTS WITH & WITHOUT SERRATION

Serrated flange nuts are hex nuts with non-spinning washers attached at the bottom. Underneath the washers are serrations which allow the nuts to securely fasten when vibrations are present and prevent them from being used with washers or on surfaces that can be scratched.

Size Range: M3 - M24
STD: DIN 7991, ISO 10642, ASME
Available Grades: 8.8, 10.9, SS 304, SS 316

SQUARE WELD NUTS

These nuts are used in automobile and other industrial applications. The projections allow for precision seating of the fastener as well. In addition to possessing very high shear strength, they can also be used in applications which need to resist extremely high torque.

Size Range: M4 - M16
STD: DIN 928
Available Grades: Steel with Carbon Max 0.25%

HEXAGONAL WELD NUTS

it is used to weld the nut onto a host material. They come with small three leg projections which are used to weld the nut into the material. The projections also help if the host surface is uneven, but the nut has to be fixed flat on the surface.

Size Range: M3 - M16
STD: DIN 929
Available Grades: Steel (C Max 0.25%), SS 304, SS 316

HEXAGONAL SLOTTED & CASTLE NUTS

The nut is then secured with a split pin/cotter pin, R-clip or safety wire. It is a positive locking device. Castellated nuts are used in low-torque applications, such as holding a wheel bearing in place

Size Range: M4 - M64
STD: DIN 935
Available Grades: CL 6, CL 8, SS 304

SQUARE NUTS

Application. Commonly used in furniture as a blind nut, they are also used in rail channels in order to prevent turning of rail when pressure is applied. They are also used to make perfect foundation in metal channels for hidden fasteners.

Size Range: M4 - M64
STD: DIN 557
Available Grades: CL 04, CL 05, SS 304

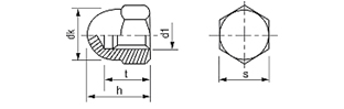
HEXAGONAL DOMED CAP NUTS

It is chiefly designed to provide a dome or cap end to cover a thread in order to protect external threads. Dome or cap nuts are typically applied to the threaded end of a bolt, setscrew or all-thread bar.

Size Range: M4 - M24
STD: DIN 1587
Available Grades: CL 6, SS 304, SS 316

WING SCREWS & NUTS

The wing screw is used as a positioning element in inside as well as outside areas. The wing screw is operated using thumb and index finger. The wing grip with internal or external thread is used as a manual clamping element. For example for photo tripods and telescopic slides.

Size Range: M4 - M16
STD: DIN 315 & DIN 316
Materials: Cast Iron/Steel

Copyright @2020 rithul.com.